欢迎光临~中山市小榄镇百大五金制品厂
语言选择:
中文简体
∷
中文繁体
Toggle navigation
首 页
关于我们
业务范围
热处理事业部
模具钢材事业部
新闻资讯
企业公告
行业新闻
科技新闻
下载中心
企业相册
留言反馈
联系我们
热处理事业部
金相分析
在线订购
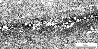
裂纹跟着碳化物偏析带走
共晶碳化物超标。
上一个:
超深冷热处理
下一个:没有了
相关产品
金相分析
PVD纳米涂层处理
超深冷热处理
不锈铁光亮加硬热处理
导航栏目
热处理事业部
+
模具特种钢材事业部
+
新闻中心
常用金相腐蚀剂
01/25
各种硬度换算表
01/25
常用钢的淬火温度和淬火后
01/25
冲压模具失效
01/25
钢铁常见组织及说明
01/25
联系我们
联系人:韦先生
手机:18824958011
邮箱:zsbaida@163.com
地址:广东中山市小榄镇竹源第二工业区7号
首页
手机
分类
顶部
关闭
close
用手机扫描二维码
关闭